气动执行器是用气压力驱动启闭或调节阀门的执行装置,又被称气动执行机构或气动装置,不过一般通俗的称之为气动头。在现代自动化、智能化工厂中,特别是在气体传输技术领域中,气动执行器得到了广泛的应用,为实际应用生产发挥着极为重要的作用。
气动执行器通常用于控制需要快速和准确响应的过程,因为它们不需要大量的动力。然而,当需要大量的力来操作阀门(例如,主蒸汽系统阀门])时,通常使用气压致动器。虽然气动执行器有许多设计,但活塞类型最常见。而在现有的气动执行器在实际应用中,当气动执行器因自身故障而造成气流堵塞时,由于气动执行器本身没有检测报警装置,因而无法及时提醒工作人员发现故障,容易造成生产的安全隐患。
为解决上述问题需要一种能够在实际应用中实时检测气流输送状态的气体流量检测装置,以便及时发现故障进行处理,从而及时消除安全隐患。工采网推荐使用气体流量传感器 - FS5001L来检测气流输送状态的气体流量。

FS5001L系列气体流量传感器是专门为各类小流量气体的测量和过程控制而设计的。这一系列传感器均采用本公司自主研发的微机电系统(MEMS)流量传感器芯片来制作,适用于各类清洁、干燥气体。传感器采用标贴式安装,使安装尺寸更加紧凑,可以很容易的实现在小空间内的多传感器集成。
FS5001L气体流量传感器产品特点
传感器灵敏度高,有极小的始动流量
表贴式安装,结构紧凑
多种信号输出
零点稳定度高
全量程高稳定性、高精确度和优良的重复性
低功耗、低压损
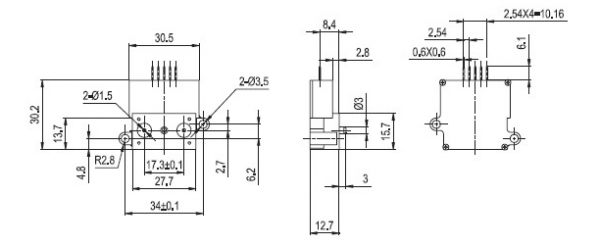
FS5001L气体流量传感器机械尺寸

FS5001L气体流量传感器技术参数

