产品详情
描述:
LM48100Q-Q1 是一款单电源、单声道、桥接负载AD7729ARU放大器,具有 I 2 C 音量控制功能,非常适合汽车应用。全面的输出故障检测系统可检测负载状况,在短路事件期间保护器件,并检测开路状况。
LM48100Q-Q1 采用 5V 单电源供电,可为 8Ω 负载提供 1.3W 的连续输出功率,且 THD+N 小于 1%。灵活的电源要求允许在 3 V 至 5.5 V 的电压范围内工作。高电源抑制比 (PSRR)(1 kHz 时为 74 dB)使器件能够在嘈杂的环境中运行,而无需额外的电源调节。
LM48100Q-Q1 具有双音频输入,可以混合/多路复用到设备输出。每个输入路径都有自己独立的 32 级音量控制。混音器、音量控制和设备模式选择通过 I 2 C 兼容接口进行控制。开漏故障输出指示何时发生故障。全面的输出短路和热过载保护可防止设备在故障条件下损坏。
低功耗关断模式可将电源电流消耗降低至 0.01 μA。卓越的咔哒声和爆音抑制消除了上电/断电和关机期间的声音瞬变。LM48100Q-Q1 采用 14 引脚 HTSSOP PowerPAD IC 封装。
特性:
●输出故障检测
●I 2 C 音量和模式控制
●输入混合器和多路复用器
●高 PSRR
●单独的 32 级音量控制
●短路和热保护
●高级点击和弹出抑制
●低功耗关断模式
●采用 14 引脚 HTSSOP 封装
●主要规格:
○V DD = 5 V,R L = 8 Ω, THD+N ≤ 1%时的输出功率1.3 W(典型值)
○5 V、6 mA 时的静态电源电流(典型值)
○1 kHz 时的 PSRR 74 dB(典型值)
○关断电流 0.01 μA(典型值)
应用:
●汽车仪表板
●免提车载套件
●医疗的
参数:
音频输入类型:模拟输入
建筑学:AB类
扬声器通道(最大):单核细胞增多症
功率级电源 (Max) (V):5.5
功率级电源 (Min) (V):3
负载 (Min) (ohms):8
输出功率(W):2.4
信噪比 (dB):104
总谐波失真 + N @ 1 kHz (%):0.04
Iq (典型值) (mA):4.4
控制界面:I2C
闭环/开环:关闭
模拟电源 (Min) (V):3
模拟电源 (Max) (V):5.5
PSRR (分贝):74
工作温度范围(℃):-40 到 105
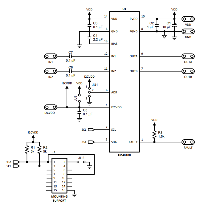
◆LM48100Q-Q1 功能框图

◆LM48100Q-Q1 典型应用







