【
仪表网 仪表下游】煤炭是经济社会生活生产的重要能源基础和主要的化石燃料,我国的煤炭资源储量丰富,国家能源局数据显示,2021年全年,中国生产原煤40.7亿吨,比2020年增长4.7%,比2019年增长5.6%,两年平均增长2.8%。
然而过去几年,高耗低效燃烧煤炭向空气中排放出大量SO2、CO2和烟尘,造成严重的大气污染,破坏生态环境。近年来随着我国碳达峰、碳中和目标的提出,电力系统清洁低碳转型的步伐将进一步加快,我国大力推动煤炭清洁高效利用,促进煤炭消费转型升级。
近日,人民银行宣布,增加1000亿元支持煤炭清洁高效利用专项再贷款额度,专门用于支持煤炭开发使用和增强煤炭储备能力。至此,支持煤炭清洁高效利用专项再贷款总额度达到3000亿元。全国煤电“三改联动”典型案例和技术推介会在北京召开。据悉,今年我国将大力推动煤电节能降碳改造、灵活性改造、供热改造“三改联动”。改造升级煤电规模超过2.2亿千瓦,促进煤电清洁低碳发展。
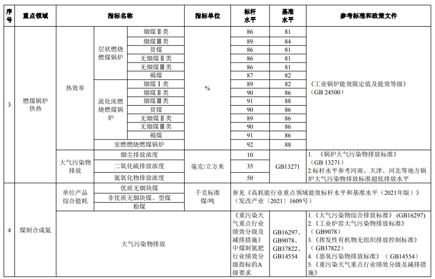
为贯彻落实党中央、国务院决策部署,对标实现碳达峰、碳中和目标任务,国家发展改革委、工业和信息化部、生态环境部住房和城乡建设部、市场监管总局、国家能源局等六部门发布《煤炭清洁高效利用重点领域标杆水平和基准水平(2022年版)》。
一、合理确定指标,充分发挥导向作用
对标国内外同行业先进水平,以及国家现行政策、标准中先进能效指标值和最严格污染物排放要求,确定煤炭清洁高效利用重点领域标杆水平。坚持绿色低碳发展理念,统筹考虑实现碳达峰目标要求、促进煤炭消费转型升级、便于企业操作实施等因素,参考国家现行标准中的准入值或限定值,以及国家政策文件明确的相关指标,科学确定煤炭清洁高效利用重点领域基准水平。本文件将视行业发展和标准制修订情况进行补充完善和动态调整,适时建立包括能耗、物耗、水耗、污染物和温室气体排放水平等在内的煤炭清洁高效利用综合评价指标体系。
二、分类分批实施,滚动提升利用水平
对新建煤炭利用项目,应对照煤炭清洁高效利用重点领域标杆水平建设实施,推动清洁高效利用水平应提尽提,力争全面达到标杆水平。对清洁高效利用水平低于基准水平的存量项目,引导企业有序开展煤炭清洁高效利用改造,加快推动企业减污降碳,坚决依法依规淘汰落后产能、落后工艺。依据煤炭清洁高效利用重点领域标杆水平和基准水平,限期分批实施改造升级和淘汰。对需开展煤炭清洁高效利用改造的项目,各地应明确改造升级和淘汰时限(一般不超过3年)以及年度改造淘汰计划,在规定时限内升级到基准水平以上,力争达到标杆水平;对于不能按期改造完成的项目进行淘汰。加强煤炭清洁高效利用工艺技术装备研发和推广应用,促进形成强大国内市场。
三、完善支持政策,加快推动转型升级
整合已有政策工具,加大煤炭清洁高效利用市场调节和督促落实力度。加大财政资金支持力度,重点向实施标杆水平改造的企业进行倾斜,培育煤炭清洁高效利用领军企业。加大金融支持力度,向煤炭清洁高效利用效应显著的重点项目提供高质量金融服务,落实煤炭清洁高效利用专用装备、技术改造、资源综合利用等税收优惠政策,加快企业煤炭清洁高效利用改造升级步伐,提升煤炭清洁高效利用整体水平。
六部门指出,各地方要充分认识推动煤炭清洁高效利用的重要意义,立足本地实际,坚持系统观念,尊重市场规律,细化工作要求,强化责任落实,加快推动煤炭清洁高效利用,助力推进清洁低碳、安全高效的能源体系建设。


